Боухантеры.ру

Информация о пользователе

Привет, Гость! Войдите или зарегистрируйтесь.


Вы здесь » Боухантеры.ру » Снаряжение боухантера » Стабилизатор своими руками


Стабилизатор своими руками

Сообщений 61 страница 64 из 64

61

Michman59214 написал(а):

Товарищи! Подскажите параметры резьбы болта у стабилизатора.

1/4 unc 20 ниток (20 витков на дюйм)
5/16 unf  24 нитки (24 витка на дюйм )

Отредактировано OriS (2025-11-03 15:06:31)

0

62

Вадим написал(а):

Я охоту редко со стабом стреляю, громоздко и тяжело. В ночь на дереве фонарик вешаю. Со стабом бывает пешкую, удобно таскать за стаб)))))

От условий зависит.  Если лес то огрызок 4 дюйма .
Если степь то можно и 15" .

0

63

OriS написал(а):

От условий зависит.  Если лес то огрызок 4 дюйма .
Если степь то можно и 15" .

Много и от лука, АТА, обвес. Из тех что были, Матвей на шее сидел лучше всех, Хойт не могу долго на одном месте, «ерзать» начинаю)))).

0

64

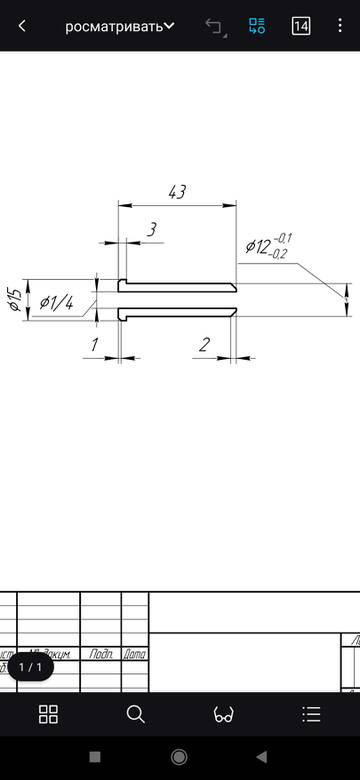
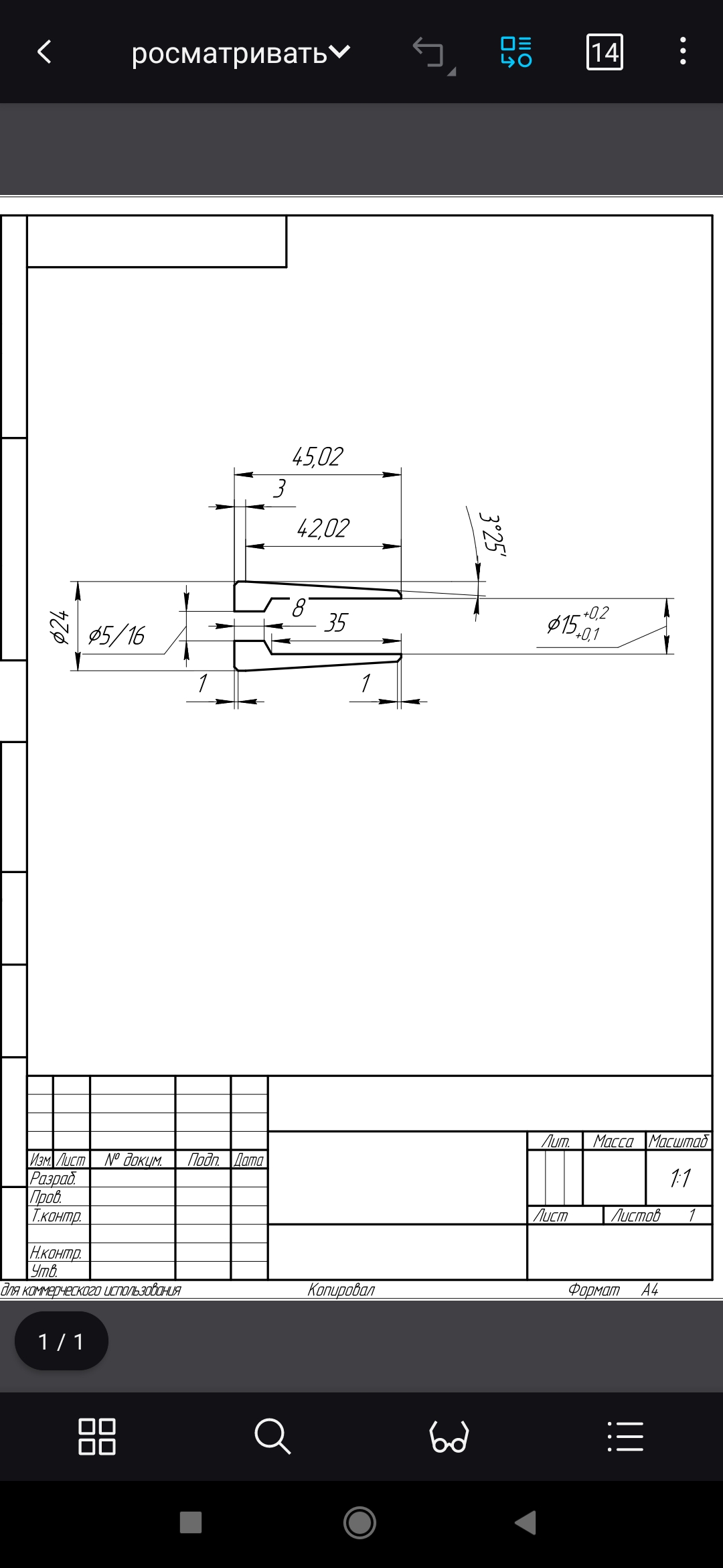
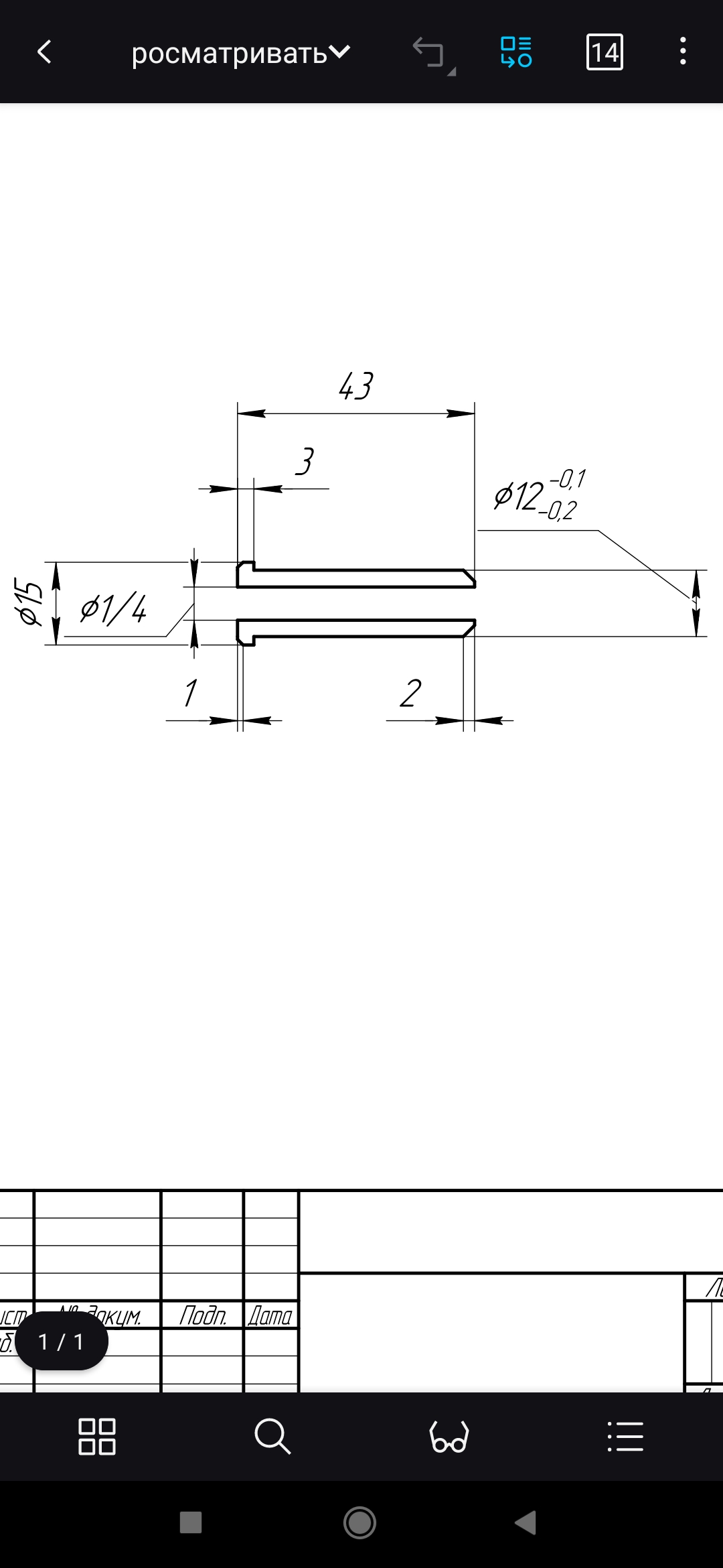
https://upforme.ru/uploads/001a/8c/05/1138/t644980.jpg
https://upforme.ru/uploads/001a/8c/05/1138/t794124.jpg
https://upforme.ru/uploads/001a/8c/05/1138/t615827.jpg
Чертежи под трубку 15х12
1)адаптер под дэмпфер
2) стакан- со стороны рамы
3) втулка со стороны груза

Не указал фаски 45°... Думаю кто шарит - поймет

Отредактировано OriS (2025-11-03 18:04:38)

0


Вы здесь » Боухантеры.ру » Снаряжение боухантера » Стабилизатор своими руками